Cadillac U2, 2000 Cadillac Deville Radio Wiring Diagram Pictures - Wiring Diagram Sample
Cadillac Schaltplan U2 Cts Deville Ignition Cj5 Pinout Justanswer 1975
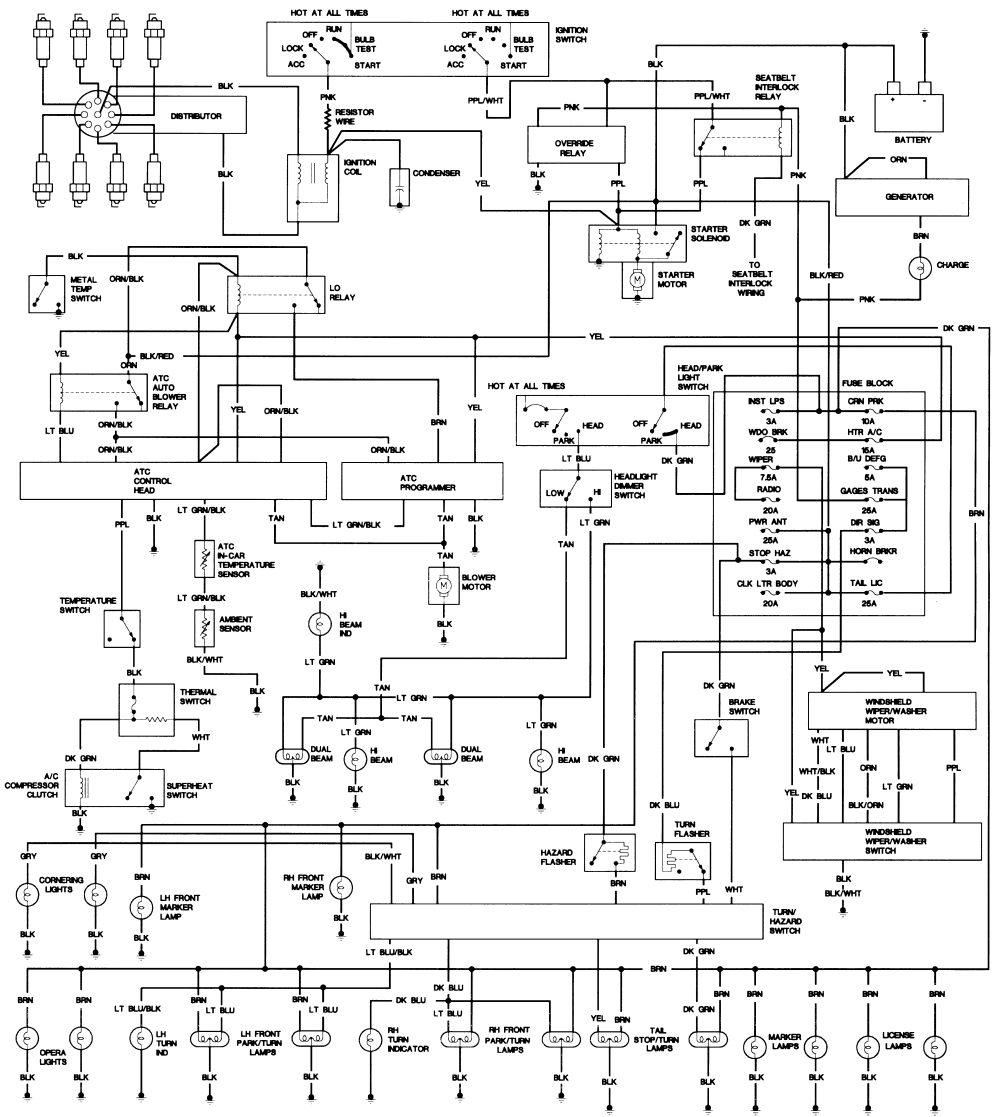
If you are {looking for|searching about} 2000 Cadillac Deville Radio Wiring Diagram Pictures - Wiring Diagram Sample you've {came|visit} to the right {place|web|page}. We have 9 {Pics|Pictures|Images} about 2000 Cadillac Deville Radio Wiring Diagram Pictures - Wiring Diagram Sample like Cadillac Stereo Wiring Diagrams - Wiring Diagram and Schematic, I have a 1993 Cadillac Sedan DeVille. The radio (and auto antennna and also ECU Wiring OBD1 TBI Photo by inisfad | Photobucket. {Read more|Here you go|Here it is}:





Komentar
Posting Komentar